Skip to content

USB DBus+ & DBus- backwards at USB-C port #4

@MasterSpoon

Description

@MasterSpoon

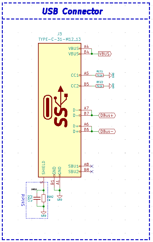
USB A7 (DN1) & B7 (DN2) going to DBus+ which then goes to D+ then to PA12 - USB_DP
USB A6 (DP1) & B6 (DP2) going to DBus- which then goes to D- then to PA11 - USB_DM

These should be reversed with DBus+ going to A6 / B6 and DBus- going to A7 / B
usb-c_Tsuki
7

Metadata

Metadata

Assignees

No one assigned

    Labels

    No labels
    No labels

    Type

    No type

    Projects

    No projects

    Milestone

    No milestone

    Relationships

    None yet

    Development

    No branches or pull requests

    Issue actions